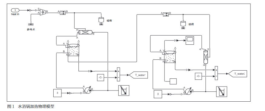
水浴鍋加熱裝置主要由控制箱、加熱絲、磁力攪拌器、溫度傳感器、外鍋以及內鍋組成。由于水浴鍋在控制溫度過程中不僅受到外界溫度的影響,還受其自身鍋體體積和材料的影響,推理出擬合度高的數學模型非比較困難。因此,本文提出在仿真軟件中建立水浴鍋傳熱系統物理模型,解決了數學建模困難問題,更貼近于實際情況。物理模型搭建見圖1所示,通過穩定加熱源給系統熱量,熱量通過熱傳遞給外鍋內的水,水加熱的過程中向兩個方向進行熱傳導,一個方向是傳遞給外鍋的鋁層,另一個方向傳遞給內鍋的燒杯,最終熱量傳遞給燒杯的水,以此達到溫度控制。經實驗可知,給定溫度信號通過接入PWM模塊產生脈寬調制信號,信號再經過控制熱流率源產生熱量,熱量經過傳導熱模塊傳遞給熱質量塊,在經過可導熱的管道,使外鍋內的水升溫,鍋內的水通過一個壓力泵實現內循環,外鍋專門有一個導熱口,通過這個口使外鍋的溫度傳遞給內鍋,內鍋與外鍋模型基本一致,在導熱口對接的是外界溫度,為一個蒸發散熱過程。內外鍋傳熱仿真模塊內部見圖1所示,溫度輸入從TANK(B)端A端流入,熱源通過TANK(B)的H口傳遞給TANK(S)的H端。
